Ijraset Journal For Research in Applied Science and Engineering Technology
Authors: Dr. N. Ismayil Kani, Dr. B. V. Manikandan
DOI Link: https://doi.org/10.22214/ijraset.2025.66684
Certificate: View Certificate
Advanced topologies for DC to DC converters have been required due to the growing need for small and highly efficient power conversion systems. An M-Type resonant switching topology, which provides notable increases in efficiency, switching losses, and electromagnetic interference (EMI) mitigation, is thoroughly analyzed and implemented in this study. The suggested design improves overall system performance by reducing power consumption during transitions by utilizing zero-current switching (ZCS) and zero-voltage switching (ZVS) approaches. To examine the resonant behavior of the circuit and determine design settings for important parts like the resonant components (capacitor and inductor), a thorough mathematical model is created.According to simulation studies, the M-Type architecture outperforms conventional hard-switching and other resonant designs, with efficiency levels above 95% under a range of load scenarios.
I. INTRODUCTION
DC-DC converters are essential elements of modern power electronics, as they transform direct current (DC) from a specific voltage to another, facilitating efficient power distribution across many applications. Hard-switchiang techniques are frequently used in traditional converters, in which the power semiconductor devices handle high current and voltage concurrently while turning on and off. This method negatively impacts the overall performance of the system by producing electromagnetic interference (EMI) and significant switching losses.
Resonant switching topologies have been created to overcome these difficulties, allowing for soft-switching scenarios in which there is no voltage or current during the switching transitions. By drastically lowering switching losses and EMI, this technique improves power converter dependability and efficiency. The M-Type resonant switching topology is distinguished from the others by its special arrangement, in which the resonant capacitor is positioned directly across the switch. Zero Voltage Switching (ZVS) is made possible by this configuration, which enables the switch to function throughout transitions with less voltage stress.
The M-Type architecture has not been thoroughly investigated in DC-DC converter applications, despite its benefits. By offering a thorough examination of a DC-DC converter using the M-Type resonant switching topology, this study seeks to close this gap. The design concepts, modes of operation, and performance assessment using both simulation and experimental validation are the main topics of the study. The objective is to show that the M-Type resonant DC-DC converter is a feasible option for applications needing dependable and effective power conversion since it can achieve higher efficiency and lower EMI in comparison to traditional hard-switching converters. The M-type resonant switching topology is a useful strategy in contemporary DC-DC converter designs because it provides notable advantages in lowering switching losses, mitigating EMI, and increasing overall efficiency.
II. LITERATURE REVIEW
[1]A zero-voltage-switching (ZVS) quasi-resonant boost converter that utilizes a M-type switch is thoroughly analyzed, projected, and constructed in the 2007 publication "Digitally Controlled ZVS Quasi-Resonant Boost Converter with M-Type Switch" by Taufik, Luther, and Anwari. Critical voltage and current formulae for each of the converter's operating modes are derived by the authors. In order to verify their theoretical analysis, they also compare simulation findings with laboratory measurements and talk about hardware creation with digital control and computer simulations using OrCAD PSpice.[2] M-type switch is analyzed and designed in the paper "ZVS QR Boost Converter with Variable Input Voltage and Load" by Taufik, Luther, and Anwari (2008). Variable voltage sources and load conditions are the study's main focus. In order to develop converters that can retain high efficiency under a variety of operating settings, the study derives equations that describe the converter's behavior. Computer simulations and digitally controlled hardware development are used in the study to show how the converter performs and increases efficiency.
[3] In order to achieve a single switch, Saha and Islam's paper "Single-Switch Non-Isolated Resonant DC-DC Converter for Bipolar Output" (2023) presents a novel converter topology that combines the Cuk and SEPIC converters configuration. Applications needing dual-output voltages can benefit from this design's step-down/up conversion ratio and simplified gate drive mechanism. The usefulness of the combined topology is highlighted by the experimental findings, which show adequate regulation and acceptable efficiency.
[4] Taufik, Luther, and Anwari's work "A Review of DC-DC Resonant Converter Topologies and Control Techniques for Electric Vehicle Applications" (2023) offers a thorough analysis of resonant converter topologies and control approaches relevant to EV applications. It looks at different resonant converter designs, their modes of operation, modeling strategies, and control methods, providing engineers and researchers with useful information for putting effective power conversion systems in EVs into practice.
[5] The converter described in Zhang and Xu's (2019) paper "High-Efficiency Topology-Morphing Multi-Resonant DC–DC Converter" uses two auxiliary switches to adaptively change its topology according to operating conditions. This design shows the potential of topology morphing in resonant converter designs by efficiently reducing switching losses and increasing efficiency. Because of its excellent efficiency over a broad voltage gain range, the converter can be used in small-scale wind production systems, among other uses.
[6] In their 2023 work "Vehicle Onboard Chargers," Md. Tanvir Shahed and A.B.M.H. Rashid propose an enhanced design for an isolated bilateral resonant DC–DC converter intended especially for EV onboard chargers. This arrangement makes it possible for all of the inductances—aside from the capacitor—to be completely merged with the high-frequency transformer's mutual and leakage inductances, leading to a more efficient, cost-effective, and compact design.
[7] Zhang and Xu's (2019) work "A Review of DC-DC Resonant Converter Topologies and Control Techniques for Electric Vehicle Applications" offers a thorough analysis of resonant converter topologies and control approaches relevant to EV applications. [8,9] It looks at different resonant converter designs, their modes of operation, modeling strategies, and control methods, providing researchers and engineers with important information for putting effective power conversion systems in EVs into practice.
III. DC TO DC CONVERTER WITH M-TYPE RESONANT SWITCHING TOPOLOGY
A. Proposed Circuit
DC to DC Conversion The circuit schematic for the M-Type Resonant Switching Topology is displayed in the picture. The figure also displays the circuit diagram for the M-Type Resonant Switching Topology. This includes a DC power supply Vd, a switch S (usually an IGBT or MOSFET), a switch spanning a single resonant capacitor Cr and a parallel resonant inductor Lr connected, a diode D, a low frequency bandpass LC filter, and a load R.. One switch linked in parallel to one capacitor and one inductor connected in series makes up the M-Type Resonant Switching Topology.

Fig. 1. Circuit diagram for DC to DC Converter Using M-Type Resonant Switching Topology

Fig. 2. Circuit diagram for M-Type Resonant Switching Topology
B. Operation of DC to DC Converter with M-Type Resonant Switching Topology
A resonant capacitor is positioned across the switch in the M-type resonant switching topology, a variation of the resonant converter, to accomplish zero-voltage switching (ZVS). This design's main goal is to increase converter efficiency and reduce switching losses, particularly at high switching frequencies. Resonant inductor (Lr), resonant capacitor (Cr), output filter (Lo and Co), diode (D), and switch (S) are the usual components of the topology.
Key Components
C . Operation Phases:
IV. FEATURES AND BENEFITS
V. APPLICATIONS OF M-TYPE RESONANT DC-DC CONVERTERS
VI. SIMULATION RESULTS
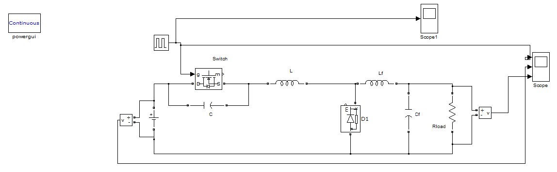
DC to DC Converter Using M-Type Resonant Switching Topology matlab simulation diagram is as shown in figure
Input Voltage :100 V
Inductor : 50µH
Capacitor: 50µF
Resistance :10?
Resonan Inductor : 5µH
Resonan Capacitor: 5µF

Fig. 3. Simulation diagram for DC to DC Converter Using M-Type Resonant Switching Topology
 Fig. 4. Gate pulse for switch S
Fig. 4. Gate pulse for switch S
 Fig. 5.Input votage
Fig. 5.Input votage
 Fig. 6.Cr Capacitor Voltage
Fig. 6.Cr Capacitor Voltage
 Fig. 7.  Lr Resonan Inductor current
Fig. 7.  Lr Resonan Inductor current
 Fig. 8.Output voltage
Fig. 8.Output voltage
 Fig. 9.Simulation output for Gate Pulse, Resonant inductor current, Resonan capacitor voltage.
Fig. 9.Simulation output for Gate Pulse, Resonant inductor current, Resonan capacitor voltage.
In conclusion, there are a number of benefits to incorporating M-type resonant switching topology into DC-DC converters in contemporary power electronics. This topology makes zero-voltage switching (ZVS) possible by adding a resonant capacitor across the switch, which significantly lowers switching losses along with boosts on the whole efficiency. The M-type configuration\'s appropriateness for applications needing great efficiency and dependability is further enhanced by its capacity to reduce electromagnetic interference (EMI). Furthermore, the M-type topology\'s built-in soft-switching properties enable higher switching frequencies, which lower component sizes and increase power density. These benefits make M-type resonant switching DC-DC converters a desirable choice for a variety of applications, including renewable energy systems, electric vehicles, and portable electronics. In order to further develop performance and increase the range of applications for M-type resonant converters, future research and development in this field is anticipated to concentrate on improving control systems and investigating novel materials.
[1] Taufik, T., Luther, P., & Anwari, M. (2007). Digitally controlled ZVS quasi-resonant boost converter with M-type switch. Proceedings of the International Conference on Intelligent and Advanced Systems (ICIAS 2007). IEEE. [2] Taufik, T., Luther, P., & Anwari, M. (2008). ZVS QR boost converter with variable input voltage and load. Proceedings of the International Conference on Power Electronics and Drive Systems (PEDS 2008). IEEE. [3] Saha, T., & Islam, S. (2023). Single-Switch Non-Isolated Resonant DC-DC Converter for Bipolar Output. Electronics, 13(15), 8798. MDPI. [4] Saha, T., & Islam, S. (2023). A Review of DC-DC Resonant Converter Topologies and Control Techniques for Electric Vehicle Applications. Electronics, 13(15), 8798. MDPI. [5] Zhang, Y., & Xu, L. (2019). High-efficiency topology-morphing multi-resonant DC–DC converter. IET Power Electronics, 12(10), 2561–2569. IET. [6] Zhang, Y., & Xu, L. (2019). A Review of DC-DC Resonant Converter Topologies and Control Techniques for Electric Vehicle Applications. IET Power Electronics, 12(10), 2561–2569. IET. [7] Zhang, Y., & Xu, L. (2023). An Improved Topology of Isolated Bidirectional Resonant DC–DC Converter for Electric Vehicle Onboard Chargers. Mathematical Problems in Engineering, 2023, 2609168. Hindawi. [8] Saha, T. (2020). Soft-Switched Resonant DC-DC Converter in Underwater DC Power Distribution Systems. Master\'s Thesis, Utah State University. Utah State University. [9] Kazimierczuk, M. K. (2011). Resonant Power Converters. John Wiley & Sons
Copyright © 2025 Dr. N. Ismayil Kani, Dr. B. V. Manikandan. This is an open access article distributed under the Creative Commons Attribution License, which permits unrestricted use, distribution, and reproduction in any medium, provided the original work is properly cited.
 
   
                                                    Paper Id : IJRASET66684
Publish Date : 2025-01-25
ISSN : 2321-9653
Publisher Name : IJRASET
DOI Link : Click Here
 Submit Paper Online
        
        
        
            Submit Paper Online
        
     
    
      
      
      
       
      
   