Issues linked to power quality are currently of the utmost importance. The utilization of non-linear loads is the cause of the power quality issues. All of these loads cause disruptions in the force of power services, system effectiveness, power factor decrease, etc. because of their nonlinearity. In order to increase power quality in grid connections, this research proposes an adaptive neuro fuzzy conclusion system (ANFIS) based control method for a three- phase DSTATCOM. In addition to improving power factor and balancing power between active and reactive components, the primary function of the DSTATCOM is to compensate for current harmonics introduced into the supply current due to non-linear loads. Matlab software is used to carry out the simulation.
Introduction
I. INTRODUCTION
We frequently deal with issues related to voltage swell, voltage sag, transients, unbalanced loads, harmonics, poor power factor, etc., all of which must be resolved to improve the system's power quality. Power quality issues can be solved classically by employing passive filters made of damping resistors, inductors, and capacitors. These filters offer a straightforward solution, but they are bulky and heavy. Due to their technological advantages, including their ability to respond to network changes more quickly, FACTS (Flexible Alternating Current Transmission System) devices, such DSTATCOM, are utilized. Distribution static compensator (DSTATCOM) is the term for the arrangement of the voltage source converter and capacitor in parallel. The fundamental idea is to read Power quality issues and the best fixes available. In order to accomplish this, we have used this control strategy Adaptive Neuro Fuzzy Inference System (ANFIS) method to provide power factor correction and THD reduction in the system.
A. DSTATCOM
D-STATCOM is used in distribution machines to reduce high frequency losses and harmonic distortion. The DSTATCOM's function is to eliminate load harmonics that are supplied to the supply. In addition to supplying reactive power, they function as current sources when linked in parallel with a nonlinear load. This allows them to generate and balance the harmonic currents that the load needs. DSTATCOM injects currents into the point of common coupling to offset undesired components of the load current. Unbalanced loads and power factor can also be corrected with the right control approach. This idea applies to any kind of load that is regarded as a harmonic source. Its benefit is that it simply delivers the compensating current in addition to a minimal quantity of supplied active basic current.
Fig 1.1 DSTATCOM typical diagram
B. Artificial Neural Networks
ANNs, or artificial neural networks, are computer tools that mimic the connections between neurons in the nervous systems of humans and other animals. They are often referred to as "neural nets," "artificial neural nets," or simply "ANNs." The analogical neural network (ANN) is matched by biological neural nets (BNN). Both ANNs and BNNs are examples of network systems built from individual "neurons," or atoms. Although many of the ideas and traits of biological systems are faithfully replicated in artificial neural networks.
A particular kind of non-linear processing system called artificial neural networks is well suited for a variety of tasks, particularly those for which there isn't a working method.
Fig 1.2 ANN Diagram
II. PROPOSED METHODOLOGY
A review and analysis of the literature is done in order to integrate DSTATCOM into the distribution system. With DSTATCOM, power can be injected, both reactive and active. Phase angle disparities and voltage magnitude variations between the grid and DSTATCOM are the two factors that determine the active power flow between the two devices. A DSTATCOM's active power output varies in direct proportion to the system voltage. Nevertheless, DSTCOM is connected at the coupling point and offers compensating current to raise power factor and maintain a balance between active and reactive power.
A. Control Algorithm
With power quality compensation, DSTATCOM receives power quality compensation based on load needs. DSTATCOM is optimized using several different methods. Here, we genuinely employ a data-generating algorithm and control-based artificial intelligence (AI) algorithms to enhance outcomes. The basic component of load current is produced by the active component. The term "dc element" relates to the fundamental component. The Reverse Park Transformation converts the dq components to reference a-b-c source currents. To generate switching pulses, the hysteresis current controller compares the achieved reference current in both cases with the real source current. The system for adaptive neuro fuzzy inference (ANFIS) In essence, the ANFIS is a family of artificial sensory networks that integrate reliable artificial intelligence solutions to solve problems while operating in tandem with the conventional inference systems. The best learning ability is produced by ANFIS, which is a common advantage. Five layers make up the modelling of the ANFIS structure as seen in Fig. 4. Three-phase load currents are received as input by layer 1 and forwarded to layer 2. The fuzzification process, which occurs in Layer 2, blurs the sharp values. Layer 3 is where the matching between the input and output membership functions happens. The normalization layer, or layer 4, determines the rule's firing strength based on input and output. The defuzzification layer, or layer 5, is utilized to provide the necessary output load current by transforming crisp numbers into fuzzy ones. Ten neurons were utilized to train the ANFIS structure, and triangular input and output membership function.
Fig 2.1 ANFIS Structure
Fig 2.2 Membership Functions for input 1,2 and 3
III. SIMULATION PARAMETERS
Fig 3.1 Control circuit diagram of ANFIS algorithm
IV. SIMULATION RESULTS
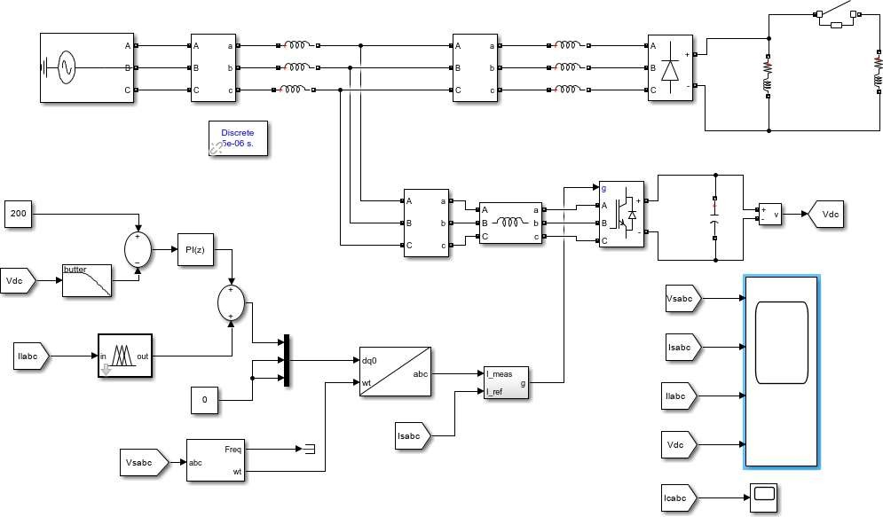
Fig 4.1 Simulink model of DSTATCOM with ANFIS
Fig 4.2 Simulation Output
Fig 4.3 Source voltage (Vsc) output waveform
This graph displays a three-phase source voltage waveform that is steady and smooth, suggesting minimal harmonic distortion.
This graph clearly illustrates the DSTATCOM's capacity to sustain a high-quality, steady source voltage in a distribution system while operating under ANFIS supervision. The waveforms' uniformity indicates superior voltage control and harmonic suppression, two important goals of DSTATCOM performance in power systems.
Fig 4.4 Source current output waveform
The source current output waveform is seen on this graph. There is a notable transient with a current spike at the beginning. This probably indicates a sudden load change or the system starting up.
The ANFIS controller responds swiftly as seen by the DSTATCOM's ability to immediately bring the current under control following the initial transient.
Fig 4.5 Load current output waveform
This graph shows that the waveform quality improves after 0.3 seconds, which indicates how well the ANFIS-Controlled DSTATCOM reduces harmonics and enhances load current quality.
The prompt recovery from the slight disturbance and swift stabilization following the initial transient show how well the ANFIS controller works to maintain a steady DC voltage.
There is minimal ripple in the steady state voltage, which suggests that the DSTATCOM is effectively filtering and controlling.
Fig 4.6 DC output voltage waveform
This graph demonstrates how the DSTATCOM under ANFIS control maintains a steady and precisely regulated DC voltages.
Fig 4.7 Capacitor current output waveform
The output voltage of the capacitor, where the DSTATCOM modifies its output to stabilize the system, is displayed on this graph.
Conclusion
Utilizing control strategies based on ANFIS, we improved power quality adjustment. DSTATCOM\'s satisfactory performance has been shown by theory technology based on ANFIS. The enhanced DSTATCOM performance is displayed by the ANFIS control system. The ANFIS-based method provides great efficiency and minimal THD in the supply current for a range of load circumstances by utilizing both the ANN algorithm and fuzzy logic.
The results of the tests and MATLAB simulation verify that the designated algorithms operate as intended. The results of the MATLAB simulation demonstrate the quick response time and precise compensation of the ANFIS-based DSTATCOM. The adaptive neural fuzzy based control produces good results, according to performance comparisons of the control algorithm based on % THD. As a result, ANFIS has shown to be a very successful DSTATCOM control method for enhancing power quality.
References
[1] L.H. Tey, P. L. So and Y. C. Chu, \"Improved energy quality improvement active shunt filter”, in IEEE Transactions on Power Delivery, volume. 20, no. 2, pages 1558-1568, April 2005.
[2] M. Bajaj, M. Pushkarna, A. S. Rana and M. T. Khan, \"Improved SRF D-STATCOM-based control algorithm under a random source voltage, \"2015 Annual IEEE India Conference (INDICON), 2015.
[3] Arora A, Singh A. Design and analysis of functional link artificial neural network controller for shuntcompensation. IET Generation, Transmission & Distribution. 2019 Jun 27;13(11):2280-9.
[4] A.Patel and A. A. Patel, \"The use of DSTATCOM harmonics elimination and improvement of energyquality, \"2017 International Power Conference, Communication, Data Analysis and Software Computing (ICECDS), 2017A.
[5] Singh, P. Jayaprakash, D. P. Kothari, A. Chandra and K. A. Haddad, \"Extensive DSTATCOM Configuration Study,\" in IEEE Transactions on Industrial Informatics, vol. 10, no. 2, pp.854-870, May2014.
[6] Singh and J. Solanki, \"Comparison of control algorithms of DSTATCOM, \"in IEEE Transactions on Industrial Electronics, vol. 56, no. 7, pages 2738-2745, July 2009.
[7] Arora A, Singh A. Design and implementation of Legendre-based neural network controller in grid- connected PV systems. IET Renewable Power Generation. 2019 Nov 18;13(15):2783-92.