Maximum power point tracking is an essential and vital technique generally applied in SPV technology under uniform and partial shading conditions. The existence of partially shaded conditions leads to the presence of several peaks on PV curves, which decrease the efficiency of conventional techniques. Hence, the proposed algorithm, which is based on the modified particle-swarm optimization (MPSO) technique, increases the output power of PV systems under such abnormal conditions and has a better performance compared to other methods. The proposed method is examined under several scenarios for partial shading condition and non-uniform irradiation levels using Matlab and to investigate its effectiveness adequately. The experimental results show that the proposed method can decrease the interference of the local maximum power-point to cause the PV system to operate at a global maximum power-point. The efficiency of the MPSO is achieved with the least number of steady-state oscillations under partial shading conditions as compared with the other methods.
Introduction
I. INTRODUCTION
The sustainability of solar energy and the resulting reduction in its material cost has led to the widespread application of photovoltaic (PV) systems in daily lives. However, during the practical implementation of PV systems, their short life cycles and low energy efficiency are the main associated problems. The main reasons for this are the power loss and hot-spots, which are caused by the presence of partial shadows. Under uniform irradiation levels, the tracking process of the maximum power-point of PV systems based on classical strategies can have a suitable performance. However, if a PV system operates under a partial shading condition (PSC), the power-voltage (P-V) characteristic curve of the PV system will have different local maximum points resulting from the connection of bypass diodes to reduce the impact of hot-spots.
The existence of several peaks on the PV characteristic curve increases the complexity associated with the extraction of the global maximum point under these conditions, and there is a need to propose a more suitable control system that can distinguish between local and global maxima to ensure the maximum possible power, thus enhancing the total system efficiency. For this reason, the key purpose of this study is to propose an intelligent maximum power-point tracking (MPPT) tracker that enables the efficient prediction of the global maximum power-point (GMPP) from a PV system, regardless of the condition of the surrounding atmosphere, whether under uniform or non-uniform solar irradiation levels.
In the literature, several global MPP search algorithms have been developed to determine the global MPP under conditions of partial shading. In PSO, particles are allowed to move in random directions and best value is arrived. This behavior is quite similar to change in duty cycle of maximum power point tracking [1]. In new ARMO based MPPT Algorithm, the coefficients in the ARMO will change adaptively [2]. In new ANN based MPPT tracking, the results of this method were accompanied by some drawbacks, such as the excessive complexity of the control scheme and a large number of computations [3]. Incremental conductance algorithm computes MPP by comparing the ratios of instantaneous conductance and incremental conductance. In Refs. [5-8], modifications of conventional MPPT methods are proposed to improve the efficiency and performance of these methods, which is an improved P&O (MPPT) method based on the adaptive duty cycle step of fuzzy logic controllers [9] , and a new IC MPPT algorithm is proposed using direct control based on the fuzzy duty cycle change estimator [10].
According to the investigation, the PSO technique is easy, effective, and robust, and it is a population-based algorithm that can be used to treat optimization problems. Some modifications are necessary to enhance the performance of PSO. Therefore, MPSO modifies the velocity step function, controls the velocity limit, and controls the search space. Therefore, this work determines the performance of the MPSO based MPPT method under various solar irradiation conditions and PSCs.
A. Principle Of Partial Shading
The PV module shading can be either partial or total considering the movement of objects that block the sunlight from the PV modules. Due to this, the output attributes of solar modules are more complex with various peak points. The shaded PV array has multiple local peaks on its P-V characteristics, rather than only one peak for non-shaded PV arrays. Hence only the global peak can result in highest power rather than the other different peaks P-V and V-I characteristics of solar PV are shown in Fig 1 and Fig 2.
The PV array may be defective owing to different aging effects. These effects arise from different outer reasons like include dust, dirt, surrounding plants, and bird droppings, which cause partial or total shading conditions and increased internal temperature. These are the reasons for more optical and physical cell degradation phenomena.
II. PSO ALGORITHM
Particle Swarm Optimization (PSO) was invented by Russell Eberhart and James Kennedy in the year 1995 and the technique inspired by the social behavior and dynamic movement of flock of birds, holds high potential due to its simple structure and fast computation capability. An individual bird must move away from its neighbor so as to avoid any chance of collision. The position and velocity is adjusted to determine the best possible position for individual particles (pbest) and the best one from the swarm(gbest).
wis the inertia weight factor, c1 and c2 are the learning coefficients, rand( ) is the random variable generated, and pbest and gbestare the personal best position and global best position of the particle respectively.
The updation of velocity and position of the PSO particle in search space is defined by using equations (1) and (2) and it is represented in fig 3 and the flowchart of the PSO algorithm is shown in fig 4.
III. PROPOSED MODIFIED PSO ALGORITHM
The proposed method is named as Modified PSO (MPSO) algorithm computes the values of initial particles i.e.duty cycle in case of MPPT, using equation (3). In equation(3), the value of Rin is computed based on voltage to current ratio at maximum power. Hence, it starts with an initial value closer to MPP.
The search process begins by sending three duty cycles to the power converter. In the first iteration, all the three duty cycles will be considered as the pbest value. The duty cycle which is close to the module maximum power (fitness value) will be taken as the gbest value. Based on the pbest and gbest values, the velocity and position of the duty cycles will be updated. In the next iteration, the present fitness value will be compared with that of previous one and a small perturbation is provided updating the duty cycle. This process undergoes changes until all the duty cycle attains a better fitness value. At this point, the velocity component becomes nearly zero. Hence, all the duty cycle will converge to a single point at MPP.
IV. SIMULATION AND RESULTS
Matlab/Simulink is one of the significant tool to determine the performance of the recommended MPPT algorithm. The modeling of PV system with a boost converter and MPPT algorithms is shown in Fig 5.
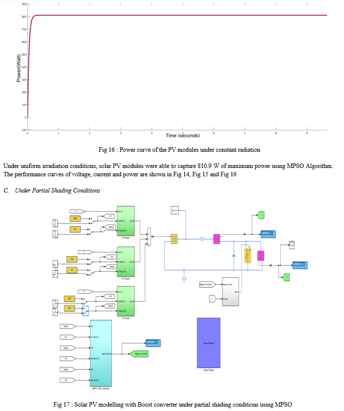
Under partial shading conditions, solar PV modules were able to capture 681W of maximum power using MPSO Algorithm. The performance curves of voltage, current and power are shown in Fig 18, Fig 19 and Fig 20.
Conclusion
This work presents the performance analysis of Solar PV Boost converter fed circuit under constant irradiation conditions and under partial shading conditions. Under uniform radiation conditions, the peak power point was obtained at 810.9 W. Under partial shading conditions, the maximum power point was obtained at 680.9 W. Two trials were tested for partial shading conditions, i.e under different temperature and irradiation conditions. It was observed that in both the trials, SPV panel was operated at a peak power of 680.9 W. It can be concluded that MPSO algorithm has superior and better tracking efficiency as compared to other MPPT tracking techniques.
References
[1] M. M. Shehu, M. Dong and J. Hu, “Optimization of Particle Swarm based MPPT under Partial Shading Conditions in Photovoltaic Systems,’’2021 IEEE 16th Conference on Industrial Electronics and Applications (ICIEA), 2021, pp. 267-272.
[2] M. Seyedmahmoudian, T. K. Soon, B. Horan, A. Ghandhari, S. Mekhilef and A. Stojcevsk, “New ARMO-based MPPT Technique to Minimize Tracking Time and Fluctuation at Output of PV Systems under Rapidly Changing Shading Conditions,” IEEE Transactions on Industrial Informatics, Volume 10 Issue 09, 24th January 2019.
[3] M. Manas, A. Kumari and S. Das, An Artificial Neural Network based Maximum Power Point Tracking method for photovoltaic system, ”2016 International Conference on Recent Advances and Innovations in Engineering (ICRAIE), 2016, pp. 1-6.
[4] M. Forouzesh, Y. P. Siwakoti, S. A. Gorji, F. Blaabjerg, and B. Lehman, “A comprehensive review of voltage-boosting techniques, topologies, and applications”, IEEE Trans. Power Electron., Vol. 32, No. 12, Pp. 9143–9178, Dec. 2017.
[5] A W Ibrahim, M Ding, X Jin, et al, “Artificial neural network based maximum power point tracking for PV system,” Chinese Control Conference(CCC), 27-30 July, 2019, Guangzhou, China. IEEE, 2019: 6559-6564.
[6] N A Ahmed, M Miyatake, “A novel maximum power point tracking for photovoltaic applications under partially shaded insolation conditions,” Electric Power System Research, 2016, Vol 78, No 5, pp.777-784.
[7] K S Tey, S Mekhilef, M Seyedmahmoudian, “Improved differential evolution-based MPPT algorithm using SEPIC for PV systems under partial shading conditions and load variation,” IEEE Transactions on Industrial Informatics, 2018, Vol 14, Issue 10, pp.4322-4333.
[8] F Li, Y Huang, F Wu,“Research on clustering equivalent modeling of large-scale photovoltaic power plants,” Chinese Journal of Electrical Engineering, 2018, 4(4): 80-85.
[9] A Jubaer, S Zainal,“A maximum power point tracking, MPPT for PV system using Cuckoo search with partial shading capability,” Applied Energy, 2014, 119: 119-130.
[10] M B Shafik, H Chen, G I Rashed,“Adaptive multi objective parallel seeker optimization algorithm for incorporating TCSC devices into optimal power flow framework,” IEEE Access, 2019, 7: 36934-36947.