Ijraset Journal For Research in Applied Science and Engineering Technology
Authors: Shaik Abdul Wajahat Tamanna, K. Shivaramakrishna, J. Kartigeyan, K. Giribabu
DOI Link: https://doi.org/10.22214/ijraset.2021.39350
Certificate: View Certificate
Charging of electric vehicles have been a major problem as the charging stations are not installed every where, either we have to charge the vehicle at home or we should have to go to a charging point and it takes a lot of time. Addition of solar energy generation to electric vehicle will give the advantage of charging the vehicle while it is in parking. The overall performance and endurance of the battery of a electric vehicle can be improved by designing a PV based hybrid energy storage system with the magnetic integration of Bessel low pass filter to the DC-DC converter. The size of battery is reduced, endurance of the battery is also improved and the effectiveness of proposed method is validated by simulation.
I. INTRODUCTION
The pollution caused by the conventional fuels like diesel, petrol, and fossil fuels is very high and use of alternate energy sources have been continuously developing[1]. Recently, the usage of electric vehicle (EVs) in the modern society is significantly growing. The electric motor, being able to operate both as a motor during acceleration and generator during braking allows for a more controlled energy conversion in the vehicle. To realize the possibility of fully controlling the energy in a system different type of converter are proposed. A DC to DC converter plays an important role in the hybrid energy storage system have been developing since the storage of electricity in the batteries. Variety of DC to DC converters are proposed with the increase in innovation. A zero voltage switch (ZVS) bi-directional DC to DC converter is proposed in [8], which has controllability over conversion efficiency, but it’s not suitable for electric vehicles due to the cons of complex control and high cost. An isolated bi-directional DC to DC converter[9] has a complex structure and it can be able to convert large power transmission. A new zero ripple switching DC to DC converter with integrated magnetic circuit was first proposed in [10-11] by S.Cuk, and the application was very successful.
Energy management strategy for HESS should be selected which would be suitable to this system. In recent years the management of energy is based on neural networks, fuzzy logic control, state machine control, frequency decoupling method, on/off-line optimal strategies, dynamic programming and limitation of battery power[13-16] has been published. ZIntegration of photo voltaic (PV) panel to the HESS of electric vehicle with integrated magnetic structure of DC to DC converter is proposed in this paper. The proposed PV panel and DC-DC converter gives a control on battery and super capacitor as well as topology and operating modes of the system. To control and optimize, the system uses MPPT algorithm based on P and O method. Finally, the proposed system is verified and analyzed by simulation.
II. TOPOLOGY OF HESS WITH PV PANEL
The proposed HESS’s figure is shown in Fig.1

The circuit is composed of a DC to DC converter, a super capacitor, a solar panel, and the Li-ion battery. T1~T4 are the four IGBT switches and its corresponding diodes D1~D4 and an integrating magnetic structure with self-inductance L1, L2 and mutual inductance M, shares a core inductor. The solar panel provides current when solar radiation is available to the system with the battery charging when it is idle, the super capacitor controls the instantaneous state of peak power supply. The controller of the EV ensures the flow of electrical energy according the input from the solar panel and battery to the load motor.
III. DESIGN AND INTEGRATION OF SOLAR PANEL WITH DC TO DC CONVERTER AND INTEGRATED MAGNETIC STRUCTURE
A. DC to DC Converter with Integrated Magnetic structure.
The magnetic elements are the main components of the energy conversion, filtering of harmonics from system, and energy storage. An E-type magnetic core is used in this converter. Here a coupling inductance (L1 and L2) is used, shown in Fig.2. L2 is the output filter and L1 is the external inductance, and Ca is additional capacitance. In the steady state , voltage of Ca is equal to the output voltage of L2 and L1 without regard to the voltage ripples of capacitor. The DC/DC converter of Fig.1 consists of 4 IGBT switches (T1~T4) and 4 diodes (D1~D4). As a boost converter we observe two operational modes (consisting of L1, T4, D4 or L2, T2, D1); and as buck converter three operational modes (consisting of L1, T3, D4 or L2, T1, D2).
There are 5 operating modes due to the additional battery pack change. This operating modes are parking charging mode, constant speed mode, acceleration mode, braking mode, super-capacitor charging mode. Table 1 shows the specific operation mode.
B. Integration of Solar Panel to the Charging System.
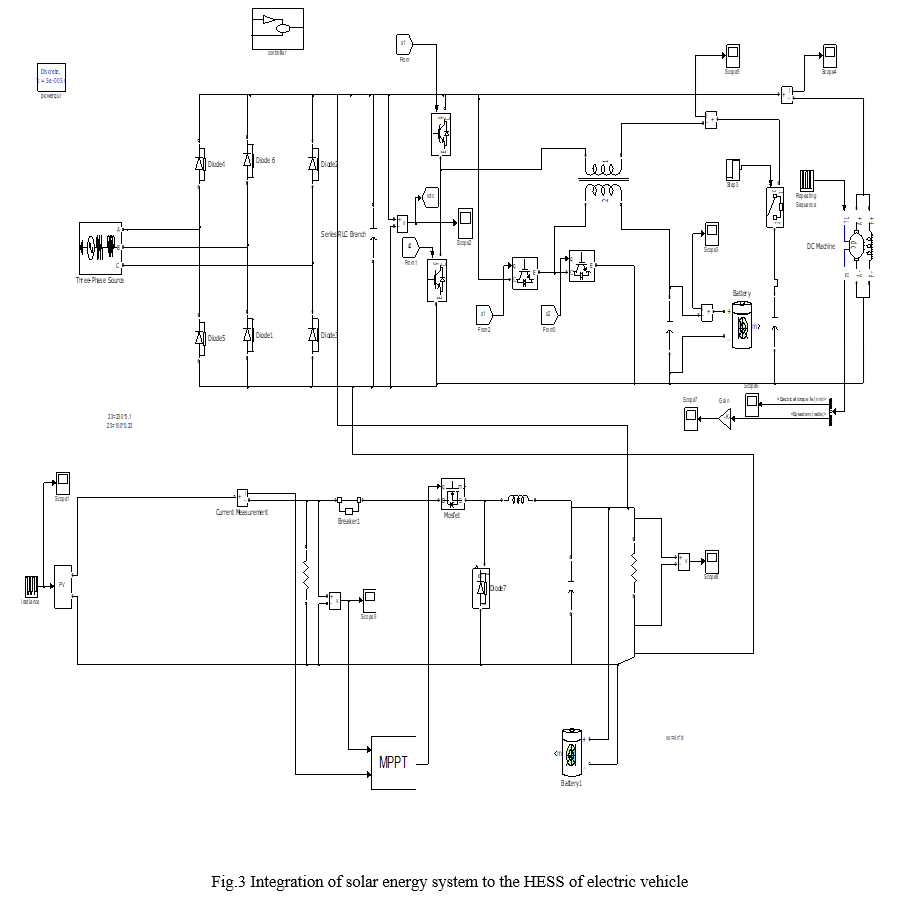
The solar panel setup is integrated to the charging system after the DC filter of the AC-DC converter. The output of the solar panel is not constant, as it is dependent on the solar radiation. To get constant output from the solar panel, the solar panel is controlled and optimized based on algorithm control. A perturb and observe (P & O) method is used in MPPT algorithm to control the output power and voltage from the solar panel setup. Fig.3 gives the simulation diagram of integration of solar panel to the system.


IV. CONTROL STRATEGY OF THE HESS
A. Super Capacitor
To provide a stable load voltage, super capacitor is connected in cascade with a voltage and current controller. When hitting brakes of EV the DC voltage increases, this braking energy is recycled with a rapid response of the super capacitor. The value of super capacitor used in the system is about 1F.
B. Li-ion Battery
Some deterioration occurs on each charge–discharge cycle. Degradation usually occurs because electrolyte migrates away from the electrodes or because active material detaches from the electrodes. Low-capacity NiMH batteries (1,700–2,000 mAh) can be charged 1,000 times, whereas high-capacity NiMH batteries (above 2,500 mAh) last up to 500 cycles. NiCd batteries can be used up to 1,000 cycles before their internal resistance permanently increases where its resistance goes beyond usable values. There are no ideal contenders for the electric vehicles, and Li-ion becomes a good choice. Li-ion batteries have higher energy density than lead-acid batteries or nickel-metal hybrid batteries, so it is possible to make battery size smaller than others while retaining same storage capacity. The weight of Li-ion battery is 50-60% less weight than lead-acid equivalent. It has the longest life, more usable capacity, temperature tolerant. A discrete PI controller is designed to the system to control the charging and discharging of battery and the super capacitor. Fig.4 shows the controller used for battery and super capacitor.

θn(s) is the reverse bessel polynomials, ω0 is the cutoff frequency, a(n) and b(n) are coefficient of the bessel polynomials.
The Bessel filter is a linear filter with largest flat group delay or linear phase response and can fully retain a filtered waveform and maintain a stable group delay. Once the battery output reference current is established, the converter is controlled by the peak current controller.
C. Continuous Charging Of Super Capacitor From Battery
The super capacitor charges from battery when the SOC of super capacitor is below the limit to ensure the enough energy supply from the super capacitor. A target value is set as the initial value to provide enough energy. During driving and standstill to recharge the super capacitor an PI controller is designed.
D. Control of PV Panel Output
The maximum power supplied by the photovoltaic panels is not always stable and fixed in same operating point; it varies with weather conditions, such as solar radiation, shadow, and temperature. To extract the maximum power, it is very necessary to implement an MPPT algorithm that dynamically adjusts the extraction of power from the PV panel. Convergence speed is one of the most important features of all different algorithms. Any improvement in the rise time of MPPT improves reliability of the system and increase the power extraction and efficiency of the whole system.
Herein a MPPT (Maximum Power Point Tracking) algorithm is used to generate a constant output from the PV panel. There are different types of MPPT algorithm
Perturb and observe algorithm is a simple among all and does not require any previous knowledge of the PV generation characteristics or measurement of solar intensity and cell temperature and it is easy to implement with analog and digital circuits. Flow chart of perturbation and observation is shown in Fig.5. This method basically uses the controlling of duty cycle based on power and voltage receiving from the photo voltaic panels.

V. SIMULATION OF PV BASED HESS APPLIED ON ELECTRIC VEHICLE
A basic electric vehicle model was created with simulink and simulation was performed. The simulation of cars during the acceleration mode, constant speed mode, braking mode, and parking charging mode are built on matlab/simulink, and the load side voltage, battery and super capacitor current ripples are observed.
The ripples of the battery and the load are mostly negligible, due this ripple reduction of battery and the load, a smooth and slow ramop operation is obtained. The super capacitor recovers the braking energy, where as the battery pack as single storage is responsible to set change in the load and has high fluctuations and ripple in current, which will reduce the overall life of battery, which is not suitable to electric vehicle.
Fig.6 shows the waveforms of battery when no super capacitor is connected and Fig.7 shows the waveform of battery with the super capacitor connected in it. There is reduction of ripples in the battery current and as well as in load current. The super capacitor takes the large current ripples from the system.
Fig.8 shows the simulation of the battery when a PV panel is integrated with system, it is observed that the overall performance of this system is improved. Compared to current of super capacitor, battery current fluctuations are smoother with no instantaneous perturbations. The output of battery is smooth and it has a minimal ripple content, which extends the life of the battery and can reduces the loss due to ripple content caused by DC motor. A sudden change in current of the super capacitor is normal as it is absorbing high frequency contents of the load. The fluctuations in load are due to the acceleration and braking of the vehicle. Load side current, battery, super capacitor current ripples are observed.
Fig.9 to Fig.11 shows the zoomed output waveforms of battery when it is not connected to super capacitor, when it is connected to super capacitor, and when the HESS is integrated with solar energy system. Fig.12 and 13 shows the load current of the system, and Fig.14 and 15 shows the super capacitor currents. In Fig.9 there is a sudden step from a nominal value to high, where as in Fig.10 the battery with super capacitor has smooth current with controlled ramop and with some ripples with it. The integration of solar energy system the battery current ripples are reduced with maintaining the smooth controlled ramop which is shown in Fig.11.





A PV based HESS is designed for electric vehicle based on limitations of battery and a solar energy system is added to the HESS. The proposed system is compared with the HESS, and shows a good advantage of increasing the battery performance and giving an advantage of charging the EV while parking with reduced ripple contents in the output current which in result increasing the battery life.
[1] Zhikang Shuai, Yingyun Sun, Z. John Shen, Wei Tian, Chunming Tu, Yan Li, Xin Yin, “Microgrid stability: classification and a review,” Renewable and Sustainable Energy Reviews, vol.58, pp. 167-179, Feb. 2016. [2] N. R. Tummuru, M. K. Mishra, and S. Srinivas, “Dynamic energy management of renewable grid integrated hybrid energy storage system, ” IEEE Trans. Ind. Electron., vol. 62, no. 12, pp. 7728-7737, Dec. 2015. [3] T. Mesbahi, N. Rizoug, F. Khenfri, P. Bartholomeus, and P. Le Moigne, “Dynamical modelling and emulation of Li-ion batteries- super capacitors hybrid power supply for electric vehicle applications, ” IET Electr. Syst. Transp., vol.7, no.2, pp. 161-169, Nov. 2016. [4] A. Santucci, A. Sorniotti, and C. Lekakou, “Power split strategies for hybrid energy storage systems for vehicular applications,” J. Power Sources, vol. 258, no.14, pp. 395-407, 2014. [5] J. Shen, S. Dusmez, and A. Khaligh, “Optimization of sizing and battery cycle life in battery/ultra capacitor hybrid energy storage systems for electric vehicle applications,” IEEE Trans. Ind. Informat., vol. 10, no. 4, pp. 2112-2121, Nov. 2014. [6] M. Ecker, J. B. Gerschler, J. Vogel, S. Käbitz, and F. Hust, “Development of a lifetime prediction model for lithium ion batteries based on extended accelerated aging test data,” J. Power Sources, vol. 215, no.5, pp. 248-257, Oct. 2012. [7] R. Sadoun, N. Rizoug, P. Bartholomeus, B. Barbedette, and P. Le Moigne, “Optimal sizing of hybrid supply for electric vehicle using Li-ion battery and super capacitor,” In Proc. IEEE Veh. Power Propulsion Conf., pp. 1-8, 2011. [8] D. Liu, and H. Li, “A ZVS bi-directional DC-DC converter for multiple energy storage elements,” Transactions on Power Electronics, vol.21, no.5, pp.1513-1517, 2006. [9] N. M. L. Tan, T. Abe, and H. Akagi, “Design and performance of a bidirectional isolated DC-DC converter for a battery energy storage system,” IEEE Transactions on Power Electronics, vol.27, no.3, pp.1237-1248, 2012. [10] S. Cuk, R. D. Middlebrook,”A new optimum to poly switching DC-to-DC converter,” In: Proceedings of 8th IEEE Power Electronics Specialists Conference, pp.160-179, 1977. [11] S. Cuk, “A new zero-ripple switching DC-to-DC converter and integrated magnetics,” IEEE Transactions on Magnetics, vol.19, no.2, pp.57-75, 1983. [12] Wuhua Li,Xiangning He, Jianyong Wu, “Isolated interleaved DC/DC converters with winding-cross-coupled inductors,” Transactions of China Electro technical Society, vol.24, no.9, pp.99-106, 2009. [13] M. E. Choi, S. W. Kim, and S. W. Seo, “Energy management optimization in a battery/super capacitor Hybrid energy storage system, ” IEEE Trans. Smart Grid, vol. 3, no. 1, pp. 463-472, Mar. 2012. [14] Z. Yu, D. Zinger, and A. Bose, “An innovative optimal power allocation strategy for fuel cell, battery and super capacitor hybrid electric vehicle, ”J. Power Sources, vol. 196, no. 4, pp. 2351-2359, Feb. 2011. [15] Zhikang Shuai, Yang Hu, Yelun Peng, Chunming Tu, Z. John Shen, “Dynamic stability analysis of synchronverter dominated micro grid based on bifurcation theory, ” IEEE Transactions on Industrial Electronics, vol. 64, no. 9, pp. 7467 7477, Sep. 2017. [16] Q. Li, W. Chen, Y. Li, S. Liu, and J. Huang, “Energy management strategy for fuel cell/battery/ultra capacitor hybrid vehicle based on fuzzy logic, ”Int. J. Electr. Power Energy Syst., vol. 43, no. 1, pp. 514-525, Dec. 2012. [17] Zhikang Shuai, Wen Huang, Chao Shen, Jun Ge, and Z. John Shen, “Characteristics and restraining method of fast transient inrush fault currents in synchronverters,” IEEE Transactions on Industrial Electronics, vol. 64, no. 9, pp. 7487 7497, Sep. 2017. [18] A. Castaings, W. Lhomme, R. Trigui, and A. Bouscayrol, “Comparison of energy management strategies of a battery/ super capacitors system for electric vehicle under real-time constraints, ” Appl. Energy, vol. 163, pp. 190-200, 2016. [19] S. K. Kollimalla, M. K. Mishra, and N. L. Narasamma, “Design and analysis of novel control strategy for battery and supercapacitor storage system,” IEEE Trans. Sustain. Energy, vol. 5, no. 4, pp. 1137-1144, Oct. 2014. [20] X. Xia, Xinxin Zhao, Heqing Zeng, and Xiaoyong Zeng, “A novel design of hybrid Energy storage system for electric vehicles,” Chinese journal of Electrical Engineering , Vol.4, No.1, March 2018.
Copyright © 2022 Shaik Abdul Wajahat Tamanna, K. Shivaramakrishna, J. Kartigeyan, K. Giribabu. This is an open access article distributed under the Creative Commons Attribution License, which permits unrestricted use, distribution, and reproduction in any medium, provided the original work is properly cited.
Paper Id : IJRASET39350
Publish Date : 2021-12-09
ISSN : 2321-9653
Publisher Name : IJRASET
DOI Link : Click Here
Submit Paper Online
